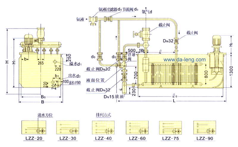
LZZ20-90立式蒸发器外形尺寸    返回首页:www.daleng.com.cn
LZZ20-90立式蒸发器外形尺寸